Характеристики
Серия трансформатора
—
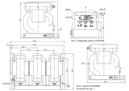
3*ЗНОЛПМ
U перв. обмотки, В
—
10000
U втор. обмотки, В
—
100, 100
Рабочее напряжение, В
—
10000
Класс точности
—
0,5
Габаритные размеры ДхШхВ, мм
—
500x345x324
Все характеристики
Наличие уточняйте у наших менеджеров
Документы
22f72dbfbb61fad06512482f8e9025fe
272,1 кб
Серия трансформатора
3*ЗНОЛПМ
U перв. обмотки, В
10000
U втор. обмотки, В
100, 100
Рабочее напряжение, В
10000
Класс точности
0,5
Габаритные размеры ДхШхВ, мм
500x345x324
Масса, кг
73
